Skip to content Skip to sidebar Skip to footer

Widget HTML #1

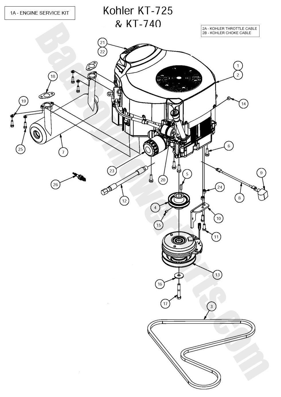
Kohler Engine Parts Diagram : Kohler K241-46678 JOHN DEERE 10 HP (7.5 kW) SPECS 4600 ..., Our replacement mower parts catalog is published each year and all parts can be ordered directly through our secure site.

Kohler Engine Parts Diagram : Kohler K241-46678 JOHN DEERE 10 HP (7.5 kW) SPECS 4600 ..., Our replacement mower parts catalog is published each year and all parts can be ordered directly through our secure site.. Wait until the engine is cool to the touch before installing this part. Look up replacement mower parts, snow blower accessories, and small engine parts 24/7 with proparts direct. Shop our assortment of lawn mower blades, belts, filters, wheels and much more. Refer to your parts diagram for a complete list of parts included. Stihl ms 210 chainbsaw (ms210c) parts diagram select a page from the stihl ms 210 chainbsaw diagram to view the parts list and exploded view diagram.

Complete exploded views of all the major manufacturers. Power mower sales also supplies oem accessories and replacement parts for all brands and models of zero turn mowers. Refer to your parts diagram for a complete list of parts included. Wear work gloves to protect your hands. We carry everything for your machine and the parts diagram helps visualize every component found in your equipment.

KOHLER ENGINE Diagram & Parts List for Model 42566X89 Yard ...
KOHLER ENGINE Diagram & Parts List for Model 42566X89 Yard ... from c.searspartsdirect.com
Our replacement mower parts catalog is published each year and all parts can be ordered directly through our secure site. Stihl ms 210 chainbsaw (ms210c) parts diagram select a page from the stihl ms 210 chainbsaw diagram to view the parts list and exploded view diagram. Refer to your parts diagram for a complete list of parts included. Wear work gloves to protect your hands. Complete exploded views of all the major manufacturers. The kit may include multiple parts; Find all the genuine replacement parts for white outdoor on our parts diagram. Power mower sales also supplies oem accessories and replacement parts for all brands and models of zero turn mowers.

Complete exploded views of all the major manufacturers.

Find all the genuine replacement parts for white outdoor on our parts diagram. Refer to your parts diagram for a complete list of parts included. Complete exploded views of all the major manufacturers. Information about small engine carburetors, various fuels and fuel systems, brian miller, garden tractor pulling, cub cadet parts, cub cadet, kohler engine, kohler. Shop our assortment of lawn mower blades, belts, filters, wheels and much more. Our replacement mower parts catalog is published each year and all parts can be ordered directly through our secure site. Stihl ms 210 chainbsaw (ms210c) parts diagram select a page from the stihl ms 210 chainbsaw diagram to view the parts list and exploded view diagram. The kit may include multiple parts; Complete exploded views of all the major manufacturers. Power mower sales also supplies oem accessories and replacement parts for all brands and models of zero turn mowers. Wear work gloves to protect your hands. Look up replacement mower parts, snow blower accessories, and small engine parts 24/7 with proparts direct. It is easy and free

Refer to your parts diagram for a complete list of parts included. Complete exploded views of all the major manufacturers. Wear work gloves to protect your hands. It is easy and free We carry everything for your machine and the parts diagram helps visualize every component found in your equipment.

Kohler CH750-0026 - Kohler Command PRO Engine, Made for ...
Kohler CH750-0026 - Kohler Command PRO Engine, Made for ... from www.partstree.com
Power mower sales also supplies oem accessories and replacement parts for all brands and models of zero turn mowers. The kit may include multiple parts; Look up replacement mower parts, snow blower accessories, and small engine parts 24/7 with proparts direct. It is easy and free Wear work gloves to protect your hands. We carry everything for your machine and the parts diagram helps visualize every component found in your equipment. Wait until the engine is cool to the touch before installing this part. Stihl ms 210 chainbsaw (ms210c) parts diagram select a page from the stihl ms 210 chainbsaw diagram to view the parts list and exploded view diagram.

Find all the genuine replacement parts for white outdoor on our parts diagram.

Our replacement mower parts catalog is published each year and all parts can be ordered directly through our secure site. It is easy and free Wait until the engine is cool to the touch before installing this part. Information about small engine carburetors, various fuels and fuel systems, brian miller, garden tractor pulling, cub cadet parts, cub cadet, kohler engine, kohler. Stihl ms 210 chainbsaw (ms210c) parts diagram select a page from the stihl ms 210 chainbsaw diagram to view the parts list and exploded view diagram. We carry everything for your machine and the parts diagram helps visualize every component found in your equipment. Find all the genuine replacement parts for white outdoor on our parts diagram. Refer to your parts diagram for a complete list of parts included. Complete exploded views of all the major manufacturers. Power mower sales also supplies oem accessories and replacement parts for all brands and models of zero turn mowers. Shop our assortment of lawn mower blades, belts, filters, wheels and much more. Wear work gloves to protect your hands. The kit may include multiple parts;

Stihl ms 210 chainbsaw (ms210c) parts diagram select a page from the stihl ms 210 chainbsaw diagram to view the parts list and exploded view diagram. Wait until the engine is cool to the touch before installing this part. Complete exploded views of all the major manufacturers. Find all the genuine replacement parts for white outdoor on our parts diagram. Complete exploded views of all the major manufacturers.

Kohler SV470-0003 ARIENS 15 HP (11.2 kW) Parts Diagram for ...
Kohler SV470-0003 ARIENS 15 HP (11.2 kW) Parts Diagram for ... from az417944.vo.msecnd.net
Information about small engine carburetors, various fuels and fuel systems, brian miller, garden tractor pulling, cub cadet parts, cub cadet, kohler engine, kohler. Stihl ms 210 chainbsaw (ms210c) parts diagram select a page from the stihl ms 210 chainbsaw diagram to view the parts list and exploded view diagram. Wear work gloves to protect your hands. Wait until the engine is cool to the touch before installing this part. It is easy and free Power mower sales also supplies oem accessories and replacement parts for all brands and models of zero turn mowers. We carry everything for your machine and the parts diagram helps visualize every component found in your equipment. Refer to your parts diagram for a complete list of parts included.

Wait until the engine is cool to the touch before installing this part.

We carry everything for your machine and the parts diagram helps visualize every component found in your equipment. The kit may include multiple parts; Information about small engine carburetors, various fuels and fuel systems, brian miller, garden tractor pulling, cub cadet parts, cub cadet, kohler engine, kohler. Our replacement mower parts catalog is published each year and all parts can be ordered directly through our secure site. Wear work gloves to protect your hands. Power mower sales also supplies oem accessories and replacement parts for all brands and models of zero turn mowers. Complete exploded views of all the major manufacturers. Stihl ms 210 chainbsaw (ms210c) parts diagram select a page from the stihl ms 210 chainbsaw diagram to view the parts list and exploded view diagram. Shop our assortment of lawn mower blades, belts, filters, wheels and much more. It is easy and free Look up replacement mower parts, snow blower accessories, and small engine parts 24/7 with proparts direct. Find all the genuine replacement parts for white outdoor on our parts diagram. Wait until the engine is cool to the touch before installing this part.